欢迎您来到泊头市星海机电科技有限责任公司
网址:www.btxhjd.com
网站首页
公司简介
行业动态
产品展示
企业文化
服务售后
联系我们
汽车模具标准件,斜楔机构,冲头固定座,导柱导套_泊头市星海机电科技有限责任公司
当前位置:
返回首页
>
产品展示
>
斜楔机构
>
产品系列
PRODUCTS
斜楔机构
包边机构
举升器
板
导柱、导套
冲头固定座
凹凸模
凹凸V型导板
自润外导板
斜楔行程用背板
行业动态
NEWS
星海机械为您介绍板的应用
导柱的技术要求有哪些?
导柱的C段长度说明
简单介绍一下斜楔机构的运动受力问题
简述常见的汽车举升机有哪些?
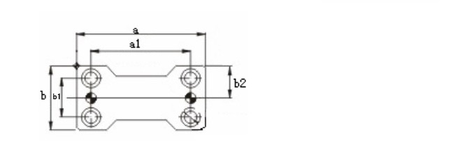
悬吊斜楔 X-UCMSC 65系列
TAG推荐
X-UCMSC50
X-SUCD50
X-UPCMS-K(N)-50
立即订购
重庆悬吊斜楔 X-UCMSC 65系列
江苏悬吊斜楔 X-UCMSC 65系列